23PPT - 专业PPT模板下载网站
注册/登录
帮助文档
首页
职场培训课件
办公模板
资料下载
效率工具
会员中心
注册/登录
帮助文档
首页
职场培训课件
办公模板
资料下载
效率工具
标题
全文
Word模板
Excel模板
PPT模板
首页
>
办公模板
>
Word模板
> [合集]
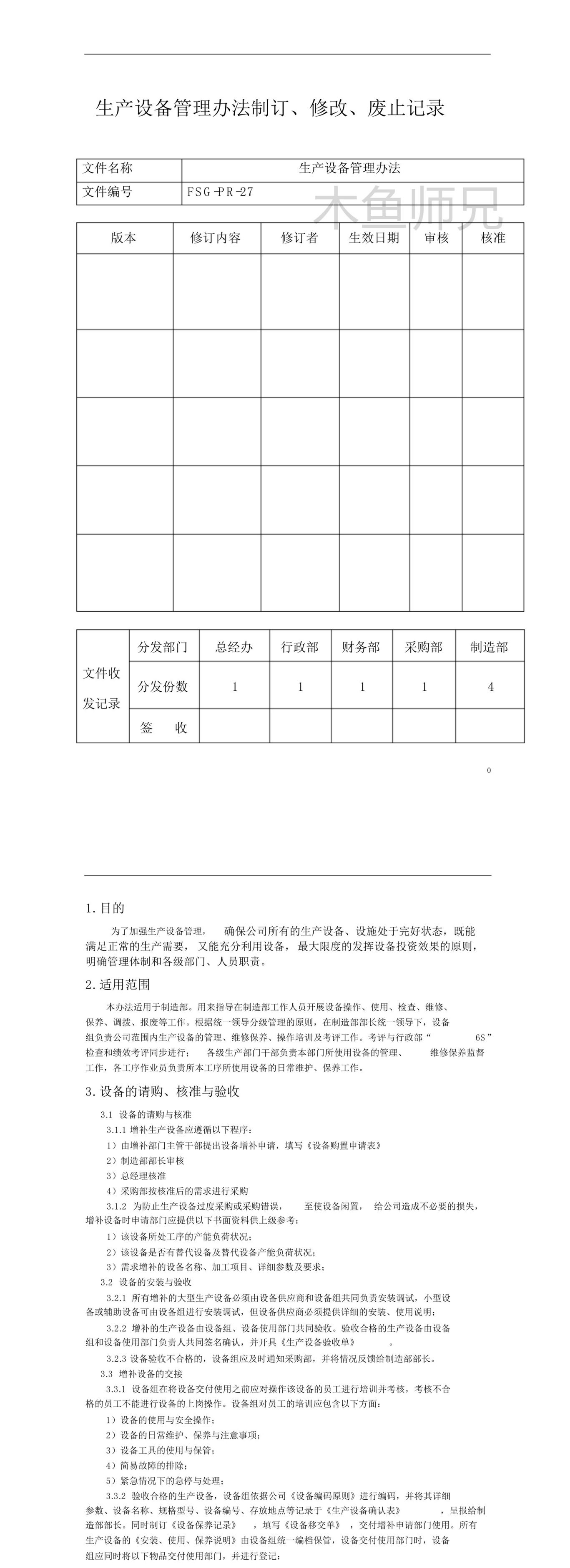
机械生产资料机电工作指标施工制度设备-SB01-设备管理办法
>
下载页面
标题
全文
生产设备管理办法.pdf
添加时间:2024年11月30日
文档编号:
23195
归属合集:
机械生产资料机电工作指标施工制度设备-SB01-设备管理办法
签到奖励:每日签到可随机获得1~10C币,
->点我签到
资料来源:网络
版权申明:本站不销售非本站原创资料,所有下载资源仅供学员个人学习,不得用于任何商业用途。如有侵犯您的权益,请联系QQ7391142,我们会第一时间删除!
附件列表
附件下载
免费下载
木鱼师兄知识星球入口(星球会员可获赠同期VIP会员资格)
微信扫描以上二维码或点此进入
版权申明:
本站所有下载资源仅供学习。如有侵犯您的权益,请联系QQ7391142,我们会第一时间删除!
Tags:
设备管理办法
×
合集:机械生产资料机电工作指标施工制度设备-SB01-设备管理办法
价格:
5
C币
默认章节(38份)
1>
“校中厂”人员与设备管理办法.pdf
2>
办公设备管理办法1.doc
3>
办公设备配备标准及管理办法.doc
4>
材料设备管理办法.doc
5>
大型机械设备管理办法.pdf
6>
低值设备管理办法.pdf
7>
工地试验室仪器设备管理办法.doc
8>
固网客户端设备管理办法(试行).doc
9>
机电设备管理办法.doc
10>
机器设备管理办法.xls
11>
机械设备管理办法.pdf
12>
计算机设备管理办法.pdf
13>
技术设备管理办法.pdf
14>
六、涉密信息系统与信息设备管理办法.docx
15>
路桥企业资产设备管理办法.docx
16>
设备分类管理办法及标准.pdf
17>
设备工具管理办法.pdf
18>
设备功能精度管理办法.doc
19>
设备监造管理办法.doc
20>
设备借用管理办法.doc
21>
设备启停管理办法(试行).doc
22>
设备全生命周期管理办法.docx
23>
设备使用管理办法.pdf
24>
设备物资采购管理办法.docx
25>
设备系统变更管理办法.doc
26>
设备主人制管理办法.doc
27>
生产车间设备管理办法.pdf
28>
生产设备管理办法.pdf
29>
施工机械设备管理办法.doc
30>
施工现场机械设备管理办法.doc
31>
特种设备管理办法.doc
32>
物业设备管理方案.doc
33>
物资(设备)集中采购管理办法.doc
34>
现代设备管理方法及内容.pdf
35>
项目设备管理办法.pdf
36>
信息化设备管理办法.pdf
37>
银行自助设备管理办法.doc
38>
住宅楼地下车库施工方案.pdf
合集首页
章节选择
技术支持:CNPIM.COM